武芯烧录器支持ST汽车电子PowerPC内核芯片SPC563M系列
发布时间:2025-12-12 17:11:26
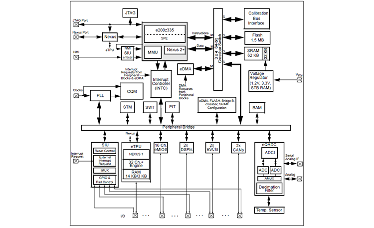
SPC563M系列是面向汽车应用的32位片上系统(SoC)微控制器。且具备多项全新功能并搭载了高性能的90nm CMOS技术,能够大幅度降低每项功能成本,同时显著提升整体性能。该系列汽车控制器采用先进且经济高效的Power Architecture®主机处理器内核,其核心为符合32位Power Architecture®Book E要求的e200z335 CPU内核复合体,并针对嵌入式应用进行了架构优化,以提升代码执行效率和灵活性。包括针对数据信号处理(DSP)提供了额外的指令支持、同时整合了队列模数转换器、经过强化的时间处理器单元、控制器区域网络和模块化输入输出系统等多项技术,这些技术对于如今的下端动力系统应用有着至关重要的作用。该器件采用单层储存器分层结构,片上集成94 KB SRAM(包含容量高达32KB待机RAM)以及容量高达1.5 MB的内部Flash存储器。此外,该器件还搭载了用于“校准”的外部总线接口(EBI),方便与外部存储或调试工具的连接。
主要特性
CPU:符合32位Power Architecture®Book E要求的e200z335 CPU内核复合体
编码优化:支持可变长度编码(VLE),有效缩减代码体积
DMA: 32通道直接存储器访问控制器,提高数据传输效率
中断控制:可管理多达364个可选优先级中断源(191个外设中断源、8个软件中断源、165个保留中断源)
时钟管理:调频锁相环(FMPLL)提供灵活的时钟方案
总线接口:校准外部总线接口(EBI)
系统互联:系统集成单元(SIU)
存储器:容量高达1.5MB的片上Flash存储器,配有Flash存储器控制器
支持80MHz单周期Flash存储器访问Fetch加速器
容量高达94KB的片上静态RAM(包括容量高达32KB的待机RAM)
启动辅助:引导辅助模块(BAM)
时间处理器:32通道第二代增强型时间处理器单元(eTPU)
32个标准eTPU通道
IO与采样:16 通道增强型模块化输入输出系统(eMIOS)
16 通道增强型队列模数转换器(eQADC),内含抽取滤波器
硅片温度传感器,实时监控芯片温度
通信接口:2 个解串 SPI(DSPI)模块,兼容微秒总线
2 个增强型 SCI(eSCI)模块,兼容 LIN
2 个 FlexCAN 模块,支持 CAN 2.0B
端口:符合IEEE-ISTO 5001-2003标准的Nexus端口控制器 (NPC)
支持IEEE 1149.1 (JTAG)、Nexus接口
电源电压:片上稳定器控制器,可通过5V外部电源提供1.2V和3.3V内部供电电压
封装:提供LQFP144和LQFP176封装

系统框架图
SPC563M系列包括SPC563M64L5、SPC563M64L7和SPC563M60L5等,武芯科技ET9800烧录器可全方位满足ST汽车电子PowerPC内核芯片SPC563M系列的烧录需求,支持芯片裸片烧录和ISP在板烧录。采用JTAG接口与芯片交互,利用芯片Nexus接口实时访问特性及双缓冲区软件算法提高烧录速度,达到芯片烧录极限。

ET9800是一款支持联机、脱机的量产型高速烧录器。采用高性能ARM+FPGA的硬件架构设计,编程带宽高达1.6Gb/s;内置128GB eMMC母头模块,能高效提升eMMC母片拷贝的量产效率;配备4.3英寸LCD触摸屏,优化脱机操作的交互体验;支持“一拖八”并行烧录,可实现复杂多样的烧录需求;且设备集成多种丰富接口,涵盖100/1000M以太网、SD卡、USB2.0 Device、RS-232串口、电源开关及接地端子等,灵活适配多元应用场景。同时提供上位机与下位机软件,支持自动化场景定制,适配智能化产线需求;支持各大厂商各种封装的MCU、eMMC、SPI、Nor/Nand flash、Parallel Nor/Nand flash、EEPROM及DSP等类型芯片,烧写稳定、高效。为客户提供创新的多场景芯片(IC)烧录解决方案。